S.S water plumbing with Insta Uncrimped Fitting Indicator (IUFI) Technology

316L S.S.FITTING (as per JWWAG-116)


S.S water plumbing is the most hygienic material for water plumbing, gives higher in strength and it can bear maximum temperature 100°C along with maximum water flow. It has maximum life spam and Medical grade approved material which is commonly used by medical practitioners to put stunts/surgical limbs in the human body. It enure no rusting and scaling warranty for life time on portable standard water. conditions..

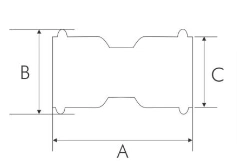
socket

Socket

Size A B C
1/2" 66.50 22.00 18.0
3/4" 74.00 30.00 25.00
1" 78.00 36.50 31.00
1-1/4" 127.50 45.50 37.50
1-1/2" 143.50 56.00 46.00
2" 160.00 62.00 51.50
2-1/2" 157.00 76.00 64.00
3" 170.00 109.50 94.00
equal-tee

EQUAL TEE

Size A B C D
1/2" 90.00 36.50 22.00 18.0
3/4" 160.00 42.00 30.00 25.00
1" 117.50 45.00 36.50 31.00
1-1/4" 165.00 63.50 45.50 37.50
1-1/2" 189.00 71.50 56.00 46.00
2" 212.00 79.00 62.00 51.50
2-1/2" 220.00 81.00 76.50 64.00
3" 264.50 85.00 109.50 94.00
90-elbow-img

90* ELBOW

Size A B C
1/2" 66.50 22.00 18.0
3/4" 78.50 30.00 25.00
1" 92.00 36.50 31.00
1-1/4" 123.00 45.50 37.50
1-1/2" 153.00 56.00 46.00
2" 171.00 62.00 51.50
2-1/2" - 76.50 64.00
3" - 109.50 94.00
male-adoptor

MALE ADAPTOR

Size A B C D
1/2" 65.00 20.00 18.00 20.50
3/4" 71.00 30.00 25.00 25.50
1" 74.50 36.50 31.00 32.50
1-1/4" 103.00 45.50 37.50 41.50
1-1/2" - 56.00 46.00 47.00
2" 127.00 62.00 51.50 59.50
2-1/2" - 76.50 64.00 -
3" - 109.50 94.00 -
female-adoptor

FEMALE ADAPTOR

Size A B C
1/2" 36.50 22.00 18.0
3/4" 46.50 30.00 25.00
1" 50.00 36.50 31.00
1-1/4" 71.00 45.50 37.5.00
1 1/2" 84.00 56.00 46.00
2" 92.00 62.00 51.50
2-1/2" 114.00 76.50 64.00
3" 118.00 109.50 94.00
union

UNION

Size A B C
1/2" 118.0 20.50 15.88
3/4" 132.00 25.50 22.00
1" 150.00 32.50 28.58
1-1/4" 157.00 41.50 34.50
1-1/2" 160.00 47.00 42.70
2" - 59.00 48.60
2-1/2" - - 76.10
3" - - 88.90
slip-socket

SLIP SOCKET

Size A B C
1/2" 66.50 22.00 18.0
3/4" 74.00 30.00 25.00
1" 78.00 36.50 31.00
1-1/4" 127.50 45.50 37.50
1-1/2" 143.50 56.00 46.00
2" 160.00 62.00 51.50
2-1/2" 157.00 76.50 64.00
3" 170.00 109.50 94.00
cap-design

CAP

Size A B C
1/2" 36.50 22.00 18.0
3/4" 46.50 30.00 25.00
1" 50.00 36.50 31.00
1-1/4" 71.00 45.50 37.5.00
1 1/2" 84.00 56.00 46.00
2" 92.00 62.00 51.50
2-1/2" 114.00 76.50 64.00
3" 118.00 109.50 94.00
male-tee

MALE TEE

Size A B C
1/2" 118.0 20.50 15.88
3/4" 132.00 25.50 22.00
1" 150.00 32.50 28.58
1-1/4" 157.00 41.50 34.50
1-1/2" 160.00 47.00 42.70
2" - 59.00 48.60
2-1/2" - - 76.10
3" - - 88.90
female-tee

FEMALE TEE

Size A B C D
1/2" 90.00 36.50 22.00 18.0
3/4" 160.00 42.00 30.00 25.00
1" 117.50 45.00 36.50 31.00
1-1/4" 165.00 63.50 45.50 37.50
1-1/2" 189.00 71.50 56.00 46.00
2" 212.00 79.00 62.00 51.50
2-1/2" 220.00 81.00 76.50 64.00
3" 264.50 85.00 109.50 94.00
valve-connector

VALVE CONNECTOR

Size A B C
1/2" 66.50 22.00 18.0
3/4" 78.50 30.00 25.00
1" 92.00 36.50 31.00
1-1/4" 123.00 45.50 37.50
1-1/2" 153.00 56.00 46.00
2" 171.00 62.00 51.50
2-1/2" - 76.50 64.00
3" - 109.50 94.00
female-elbow-short

FE SHORT

Size A B C D
1/2" 65.00 20.00 18.00 20.50
3/4" 71.00 30.00 25.00 25.50
1" 74.50 36.50 31.00 32.50
1-1/4" 103.00 45.50 37.50 41.50
1-1/2" - 56.00 46.00 47.00
2" 127.00 62.00 51.50 59.50
2-1/2" - 76.50 64.00 -
3" - 109.50 94.00 -
Our Certificates
our-certificate
certifications
certifications
certifications
certifications
Click To Close